By | 24/03/2018

Hello Sahabat Anak Kendali.

pada kesempatan kali ini saya akan membahas mengenai identifikasi Sistem Dinamis
sebelumnya saya sudah membuat artikel terkait tentang Mengenal Sistem Kendali Kalang Tertutup (Close Loop)

Identifikasi adalah tahap pertama pada model-based control design proses.
adapun identifikasi sistem merupakan tahap pencarian atau proses membuat model matematis sebuah sistem dinamis dari pengambilan data Input dan Outputnya, aplikasi identifikasi sistem sangatlah luas seperti pada teknik mekanik, biologi, economi, contohnya engineer menggunakan model sistem yang menggambarkan hubungan antara input dan Outputnya.
misal pada sebuah motor DC maka yang diambil datanya berupa Tegangan dan RPM motor DC tersebut.
proses untuk melakukan identifikasi sistem yaitu:

-mengambil data dari suatu sistem
-membuat model berdasarkan data yang diambil tersebut
-memvalidasi model tersebut apakah sudah akurat atau belum, jika belum
-mengulangi proses identifikasi dari awal, sampai model yang kita buat benar sudah valid.

Identifikasi SIstem Dinamis

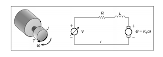
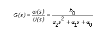
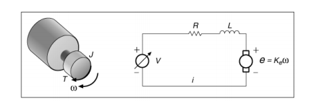
DC servo motor merupakan aktuator yang sangat familiar digunakan dalam bidang kendali, untuk mengestimasi model servomotor, pertama kita perlu melakukan pembuatan model yang sesuai dengan tujuan aplikasinya, dan model tersebut tidak diketahui parameter nya, jika kita ingin membuat kendali PID pada DC servomotor tersebut maka kita hharus membuat model berupa fungsi alih G(s) dari kecepatan putar w, dan tegangan pergerak U pada DC servomotor, yaitu :

sebelum mengidentifikasi sistem, pertama buat terlebih dahulu model matematis yang berisi parameter yang belum diketahui nilainya, kemudian lakukan proses identifikasi untuk mengestimasi parameter tersebut.

V adalah tegangan pada DC power supply.
R adalah resistance pada DC servomotor armature circuit.
L adalah inductance pada DC servomotor armature circuit.
i adalah circuit armature current.
ω adalah shaft speed pada DC servomotor.
T adalah torque pada DC servomotor.

tegangan V adalah Input dan w adalah Output DC servomotor, sesuai hukum faraday, memiliki hubungan berikut

T =Kt i
e =Ke w

Kemudian sesuai hukum kirchof dan newton diperoleh persamaan berikut :

J adalah moment inersia pada rotor dan b adalah damping rasio dari mekanik pada DC motorservo
mungkin cukup sekian apa yang bisa saya tulis kali ini semoga bermanfaat, selanjutnya saya akan menuliskan artikel contoh identifikasi sistem dinamis menggunakan Labview
keyword:
anak kendali
identifikasi sistem
apa itu identifikasi sistem dinamis
apa itu identifikasi sistem
identifikasi sistem adalah

Leave a Reply

Your email address will not be published. Required fields are marked *